在光电探测与目标识别领域,偏振光谱技术因其能够同时获取目标的偏振、光谱及空间维度信息,被誉为机器视觉的“超级火眼金睛”。然而,传统的分立式偏振光谱测量系统普遍存在测量精度低、抗干扰能力弱、设备笨重且调控复杂等痛点。
近日,西安近代化学研究所公布了一项重磅专利技术——《一种高精度大范围偏振光谱测量系统及偏振光谱测量方法》。该技术创造性地将主动照明、微偏振阵列与变焦技术相结合,彻底打破了传统技术壁垒,为高端光学测量仪器的“国产替代”注入了一剂强心针。

核心技术拆解:它凭什么脱颖而出?

本专利不仅是对现有光学系统的优化,更是架构上的重新定义。其核心创新点包括:
1. 多波长“主动照明”与高度匀化
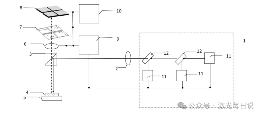
摒弃了易受外界干扰的被动探测,系统采用集成红、绿、蓝(甚至更多)多波长激光器的光源模块进行主动照明,并结合微透镜阵列实现光束的高度匀化,大幅提升了入射光强和能量利用率。
2. 微偏振阵列:光谱与偏振的“完美融合”
采用N×N(如2×2或16×16)大面阵微偏振结构,集成0°、45°、90°、135°四种线偏振基元,实现了多维度光学信息的“一按即得”,彻底消除了传统分立通道带来的时空误差。
3. 变焦透镜加持:解锁“3D深度探测”
这是本系统的一大亮点!无需笨重的机械扫描平台,利用电控变焦透镜,系统能将不同波长的光束聚焦于待测样品的不同深度(Z轴方向),实现从表面到内部的三维无损断层扫描。
性能优势:降维打击传统系统
1.超强抗干扰:
2.实时性与高精度:
3.体积小巧、易扩展:
4.高阶算法支撑:
行业新闻联动与广阔市场前景
近年来,全球高端光学仪器市场呈现爆发式增长。据调研机构数据显示,工业机器视觉及精密测量市场规模预计在2026年将突破千亿大关。而在近期科技新闻中,“半导体晶圆缺陷检测”与“国防隐身目标识别”成为了高频词汇。本专利技术的问世,恰好精准切中并满足了以下高精尖市场的海量订单需求:
泛半导体与精密制造:
在硅片制造或屏幕面板生产中,微小的表面粗糙度或划痕难以用常规相机捕捉。该系统能通过偏振度计算(如专利中演示的红绿蓝三色反射偏振度),精准识别亚微米级的表面粗糙特征,极大提高良品率,是高端AOI(自动光学检测)设备的理想核心组件。
国防军工与航空航天:
传统可见光难以识别经过伪装的军事目标。偏振光谱技术具有“穿透伪装”的能力,结合系统的3D实时探测特性,可用于无人机机载侦察设备,快速识别伪装网下的金属装甲。
生物医疗与材料科学:
系统的“深度聚焦”能力非常适合生物组织的无损光学切片,在非侵入式医学检测及新型光学材料应力分析方面拥有极高的科研和商业化转化价值。
专利核心信息档案
专利名称:一种高精度大范围偏振光谱测量系统及偏振光谱测量方法
公开号:CN 121720577 A
申请日期:2026.02.12 (注:文案中日期依据原始文档标注)
公开日期:2026.03.24
申请人:西安近代化学研究所
技术领域分类:G01J 3/02 (光谱测量技术) ; G01J 3/447 (偏振测量技术)

